MUL25C2R245
井兮精密軸承(上海)有限公司專業銷售IKO MUL25C2R245導軌,庫存日本IKO MUL25C2R245導軌大量現貨,與廠家常年批量訂購IKO MUL25C2R245導軌,您可來電咨詢庫存、報價、優惠等信息。咨詢熱線:021-36539288

更新時間:2026.02.14 瀏覽量:980
同系列型號
IKO MES35C2R600T1PS1直線導軌基本尺寸參數
- 直線導軌型號:
- MUL25C2R245
- 品牌:
- IKO
- 類型:
- 直線導軌
- 系列:
- 自潤滑直線導軌系列
- 滑塊 kg:
- 0.013
- 滑軌 kg/m:
- 0.87
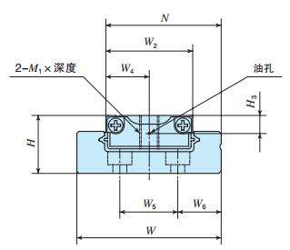
- 裝配尺寸H:
- 9
- 裝配尺寸H1:
- 19.4
- 裝配尺寸N:
- W2:
- 14
- W3:
- —
- W4:
- 7
- L1:
- 31
- L2:
- 12
- L3:
- 22
- L4:
- —
- M1x深度:
- M 3x 5
- H3:
- 2.9
IKO MES35C2R600T1PS1尺寸參數
- 直線導軌型號:
- MUL25C2R245
- W:
- 24.9
- H4:
- 6.7
- H5:
- 3.2
- W5:
- 9
- W6:
- 8
- d3:
- 2.9
- d4:
- 4.8
- h:
- 1.6
- E:
- 17.5
- F:
- 35
- 附帶的滑軌(3) 安裝用螺栓 mm 螺釘的公稱x R:
- 精密設備用+字槽小螺釘 M 2.5 x 6
- 基本額定動 負荷(4) C N:
- 1 770
- 基本額定靜 負荷(4) C0N:
- 2 840
- 額定靜力矩(4) T0 N m:
- 20.3
- 額定靜力矩(4) Tx N m:
- 10.1 53.7
- 額定靜力矩(4) Ty N m:
- 8.4 45.0
