MH35C2R640H
井兮精密軸承(上海)有限公司專業銷售IKO MH35C2R640H導軌,庫存日本IKO MH35C2R640H導軌大量現貨,與廠家常年批量訂購IKO MH35C2R640H導軌,您可來電咨詢庫存、報價、優惠等信息。咨詢熱線:021-36539288

更新時間:2026.02.14 瀏覽量:777
同系列型號
IKO MES35C2R600T1PS1直線導軌基本尺寸參數
- 直線導軌型號:
- MH35C2R640H
- 品牌:
- IKO
- 類型:
- 直線導軌
- 系列:
- 自潤滑直線導軌系列
- 滑塊 kg:
- 1.79
- 滑軌 kg/m:
- 6.85
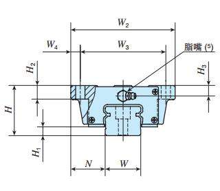
- 裝配尺寸H:
- 48
- 裝配尺寸H1:
- 10
- 裝配尺寸N:
- 33
- W2:
- 100
- W3:
- 82
- W4:
- 9
- L1:
- 123
- L2:
- 62
- L3:
- 86.2
- L4:
- 135
- d1:
- 9
- H2:
- 13
- H3:
- 10
IKO MES35C2R600T1PS1尺寸參數
- 直線導軌型號:
- MH35C2R640H
- W:
- 34
- H4:
- 28
- d3:
- 9
- d4:
- 14
- h:
- 12
- M:
- —
- h1(2):
- —
- h2:
- —
- E:
- 40
- F:
- 80
- 附帶的滑軌(3) 安裝用螺栓 mm 螺釘的公稱x R:
- M 8x28
- 基本額定動 負荷(4) C N:
- 48 700
- 基本額定靜 負荷(4) C0N:
- 53 700
- 額定靜力矩(4) T0 N m:
- 823
- 額定靜力矩(4) Tx N m:
- 631 3 480
- 額定靜力矩(4) Ty N m:
- 579 3 190
