LWHG55C2R1920T2SP
井兮精密軸承(上海)有限公司專業銷售IKO LWHG55C2R1920T2SP導軌,庫存日本IKO LWHG55C2R1920T2SP導軌大量現貨,與廠家常年批量訂購IKO LWHG55C2R1920T2SP導軌,您可來電咨詢庫存、報價、優惠等信息。咨詢熱線:021-36539288

更新時間:2026.02.14 瀏覽量:1132
同系列型號
IKO MES35C2R600T1PS1直線導軌基本尺寸參數
- 直線導軌型號:
- LWHG55C2R1920T2SP
- 品牌:
- IKO
- 類型:
- 直線導軌
- 系列:
- 直線導軌H系列
- 滑塊 kg:
- 7.40
- 滑軌 kg/m:
- 15.5
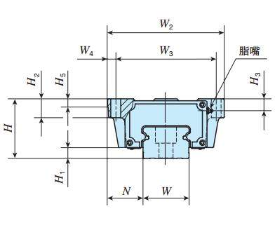
- 裝配尺寸H:
- 70
- 裝配尺寸H1:
- 17
- 裝配尺寸N:
- 43.5
- W2:
- 140
- W3:
- 116
- W4:
- 12
- L1:
- 235
- L2:
- 95
- L3:
- 183.6
- L4:
- 246
- d1:
- 14
- H2:
- 17
- H3:
- 14
- H5:
- —
IKO MES35C2R600T1PS1尺寸參數
- 直線導軌型號:
- LWHG55C2R1920T2SP
- W:
- 53
- H4:
- 41
- d3:
- 16
- d4:
- 23
- h:
- 20
- E:
- 60
- F:
- 120
- 附帶的滑軌(2) 安裝用螺栓 mm 螺釘的公稱x R:
- M14x45
- 基本額定動 負荷(3) C N:
- 142 000
- 基本額定靜 負荷(3) C0N:
- 168 000
- 額定靜力矩(3) T0 N m:
- 3 970
- 額定靜力矩(3) Tx N m:
- 4 120 20 200
- 額定靜力矩(3) Ty N m:
- 3 780 18 500
